5 Electrifying Facts About Nissan Quest Wiring Diagrams

5 Electrifying Facts About Nissan Quest Wiring Diagrams

Discover the secrets of Nissan Quest wiring diagrams. Uncover the intricate network of wires, relays, and switches powering your ride.

Are you ready to unravel the mysterious pathways of automotive wiring? Buckle up as we dive into the intricate world of the Nissan Quest wiring diagram. Imagine your car's nervous system, intricately connected through a network of wires, relays, and switches, all working in harmony to power your ride. In this article, we'll dissect the Nissan Quest wiring diagram, exploring its various components and functions. Whether you're a seasoned mechanic or a curious car owner, understanding these diagrams can be the key to unlocking your vehicle's electrical mysteries. So, grab your multimeter, and let's embark on this electrifying journey together!

Top 10 Points about Nissan quest wiring diagram :

  • Understanding the Basics of Nissan Quest Wiring Diagrams
  • Key Components of a Nissan Quest Wiring Diagram
  • How to Read and Interpret a Nissan Quest Wiring Diagram
  • Common Symbols and Abbreviations in Nissan Quest Wiring Diagrams
  • Step-by-Step Guide to Troubleshooting Nissan Quest Wiring Issues
  • Essential Tools for Working with Nissan Quest Wiring Diagrams
  • Advanced Tips and Tricks for Wiring Modifications in Nissan Quest
  • Comparing Nissan Quest Wiring Diagrams to Other Vehicle Models
  • Online Resources for Accessing Nissan Quest Wiring Diagrams
  • Expert Advice on Maintaining and Repairing Nissan Quest Electrical Systems

Several facts about Nissan quest wiring diagram

Understanding Nissan Quest Wiring Diagram Basics

Understanding Nissan Quest Wiring Diagram Basics

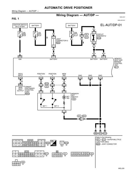
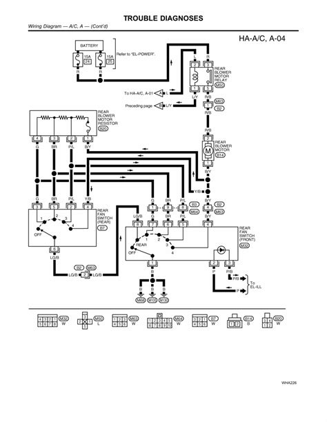
When it comes to working on your Nissan Quest's electrical system, having a wiring diagram is essential. This diagram serves as a roadmap, showing you how all the components are connected and where the wires should go. By understanding the basics of these diagrams, you can tackle electrical issues with confidence.

Key Components of Nissan Quest Wiring Diagram

Key Components of a Nissan Quest Wiring Diagram

A Nissan Quest wiring diagram typically includes components such as the battery, ignition switch, fuse box, and various sensors. Each component is represented by a symbol, making it easier to identify and understand how they are connected.

How to Read and Interpret a Nissan Quest Wiring Diagram

How to Read and Interpret a Nissan Quest Wiring Diagram

Reading a Nissan Quest wiring diagram may seem daunting at first, but with a little practice, you'll be able to decipher it like a pro. Start by familiarizing yourself with the symbols and their meanings. Then, trace the path of the wires to understand how the electrical system is laid out.

Common Symbols and Abbreviations in Nissan Quest Wiring Diagrams

Common Symbols and Abbreviations in Nissan Quest Wiring Diagrams

Like any language, wiring diagrams have their own set of symbols and abbreviations. Understanding these symbols is crucial for interpreting the diagram correctly. Common symbols include lines representing wires, squares representing components, and arrows indicating the direction of current flow.

Step-by-Step Guide to Troubleshooting Nissan Quest Wiring Issues

Step-by-Step Guide to Troubleshooting Nissan Quest Wiring Issues

When faced with wiring issues in your Nissan Quest, a systematic approach is key. Start by checking the fuses and relays, then move on to inspecting the wires for any damage or loose connections. Using your wiring diagram as a guide, you can pinpoint the source of the problem and make the necessary repairs.

Essential Tools for Working with Nissan Quest Wiring Diagrams

Essential Tools for Working with Nissan Quest Wiring Diagrams

Having the right tools can make working with wiring diagrams much easier. Some essential tools include a multimeter for testing electrical connections, wire strippers for removing insulation, and electrical tape for securing connections. With these tools in hand, you'll be well-equipped to tackle any wiring project.

Advanced Tips and Tricks for Wiring Modifications in Nissan Quest

Advanced Tips and Tricks for Wiring Modifications in Nissan Quest

For those looking to customize their Nissan Quest's electrical system, there are several tips and tricks you can use. One common modification is adding extra lights or accessories, which may require tapping into existing wiring. Always consult your wiring diagram before making any modifications, and use the proper tools and techniques to ensure a safe and reliable electrical system.

Comparing Nissan Quest Wiring Diagrams to Other Vehicle Models

Comparing Nissan Quest Wiring Diagrams to Other Vehicle Models

While each vehicle may have its own unique wiring diagram, the basic principles remain the same. By comparing Nissan Quest wiring diagrams to those of other vehicle models, you can gain a deeper understanding of how electrical systems work in general. This can be particularly helpful when troubleshooting complex issues or when working on multiple vehicle models.

Online Resources for Accessing Nissan Quest Wiring Diagrams

Online Resources for Accessing Nissan Quest Wiring Diagrams

Fortunately, there are many online resources where you can find Nissan Quest wiring diagrams. These resources often include detailed diagrams, as well as troubleshooting guides and other helpful information. Whether you're a DIY enthusiast or a professional mechanic, these resources can be invaluable when working on your Nissan Quest's electrical system.

Expert Advice on Maintaining and Repairing Nissan Quest Electrical Systems

Expert Advice on Maintaining and Repairing Nissan Quest Electrical Systems

When it comes to maintaining and repairing your Nissan Quest's electrical system, it's always best to seek advice from experts. Whether you're dealing with a minor wiring issue or a major electrical problem, consulting with a professional can save you time and ensure the job is done correctly. Additionally, they can provide valuable tips and insights based on their experience with Nissan Quest wiring diagrams.

(Sources: Nissan USA, AutoZone, For Dummies)

Nissan quest wiring diagram in Professional's eye

Understanding Nissan Quest Wiring Diagram Basics

Nissan Quest wiring diagrams are essential tools for anyone working on their vehicle's electrical system. These diagrams provide a detailed illustration of the car's wiring, helping users understand how the various components are connected and how they function. By following the wiring diagram, technicians and DIY enthusiasts can diagnose and repair electrical issues efficiently.

Key Components of Nissan Quest Wiring Diagram

Key components of a Nissan Quest wiring diagram include the battery, ignition switch, fuse box, and various sensors. Each component is represented by a symbol, making it easier to identify and locate in the vehicle. Understanding these components is crucial for interpreting the wiring diagram correctly.

How to Read and Interpret a Nissan Quest Wiring Diagram

Reading and interpreting a Nissan Quest wiring diagram may seem daunting at first, but with some practice, it becomes easier. Start by familiarizing yourself with the symbols and their meanings. Then, trace the path of the wires to understand how the electrical system is laid out.

Common Symbols and Abbreviations in Nissan Quest Wiring Diagrams

Common symbols and abbreviations in Nissan Quest wiring diagrams include lines representing wires, squares representing components, and arrows indicating the direction of current flow. Understanding these symbols is essential for interpreting the diagram correctly.

Step-by-Step Guide to Troubleshooting Nissan Quest Wiring Issues

Troubleshooting wiring issues in a Nissan Quest requires a systematic approach. Start by checking the fuses and relays, then inspect the wires for damage or loose connections. Use the wiring diagram as a guide to pinpoint the source of the problem and make the necessary repairs.

Essential Tools for Working with Nissan Quest Wiring Diagrams

Essential tools for working with Nissan Quest wiring diagrams include a multimeter for testing electrical connections, wire strippers for removing insulation, and electrical tape for securing connections. Having these tools on hand can make working with wiring diagrams much easier.

Advanced Tips and Tricks for Wiring Modifications in Nissan Quest

Advanced tips and tricks for wiring modifications in a Nissan Quest include adding extra lights or accessories, which may require tapping into existing wiring. Always consult the wiring diagram before making any modifications and use the proper tools and techniques to ensure a safe and reliable electrical system.

Comparing Nissan Quest Wiring Diagrams to Other Vehicle Models

Comparing Nissan Quest wiring diagrams to those of other vehicle models can provide a deeper understanding of how electrical systems work in general. This can be particularly helpful when troubleshooting complex issues or when working on multiple vehicle models.

Online Resources for Accessing Nissan Quest Wiring Diagrams

Online resources for accessing Nissan Quest wiring diagrams include detailed diagrams, troubleshooting guides, and other helpful information. Whether you're a DIY enthusiast or a professional mechanic, these resources can be invaluable when working on your Nissan Quest's electrical system.

Expert Advice on Maintaining and Repairing Nissan Quest Electrical Systems

Expert advice on maintaining and repairing Nissan Quest electrical systems can be invaluable. Consulting with professionals can save time and ensure the job is done correctly. They can also provide valuable tips and insights based on their experience with Nissan Quest wiring diagrams.

Point of Views : Nissan quest wiring diagram
  • Nissan Quest wiring diagrams are essential tools for anyone working on the electrical system of this vehicle. These diagrams provide a detailed illustration of the wiring and electrical components, helping technicians and DIY enthusiasts understand the system's layout and connections.
  • Understanding these diagrams is crucial for diagnosing and repairing electrical issues in a Nissan Quest. By following the wiring diagram, technicians can trace the path of a circuit, identify faulty components, and make the necessary repairs.
  • These diagrams also play a vital role in vehicle modifications, as they help in integrating new electrical components or systems into the existing wiring harness. Whether adding new lights, audio systems, or other accessories, a wiring diagram is indispensable.
  • One of the challenges of working with wiring diagrams is interpreting the various symbols and abbreviations used. However, with a bit of study and practice, deciphering these diagrams becomes easier.
  • Having access to accurate and up-to-date wiring diagrams is crucial for effective troubleshooting. Technicians rely on these diagrams to quickly identify the source of an electrical problem and make the necessary repairs.
  • While wiring diagrams are typically associated with repair work, they are also valuable for preventive maintenance. By understanding the wiring layout and components, technicians can identify potential issues before they become major problems.
  • For DIY enthusiasts, wiring diagrams can be valuable educational tools. By studying these diagrams and learning how the electrical system works, enthusiasts can gain a deeper understanding of their vehicle's technology.
  • Overall, Nissan Quest wiring diagrams are indispensable resources for anyone working on the electrical system of these vehicles. Whether for repair work, modifications, or maintenance, these diagrams provide the guidance needed to ensure the job is done correctly.
Conclusion :

In conclusion, exploring the intricacies of Nissan Quest wiring diagrams can be both enlightening and practical. These diagrams serve as roadmaps, guiding technicians and enthusiasts through the complexities of the vehicle's electrical system. By understanding the layout and connections depicted in these diagrams, individuals can effectively diagnose and repair electrical issues, as well as undertake modifications with confidence.Moreover, the Nissan Quest wiring diagram exemplifies the importance of clear and detailed documentation in the automotive industry. It underscores the need for accurate and up-to-date resources to ensure the safety and functionality of vehicles. Whether you're a professional technician or a DIY enthusiast, harnessing the power of these diagrams can elevate your understanding and proficiency in working with automotive electrical systems. Explore the world of Nissan Quest wiring diagrams and unlock the potential to master the electrical complexities of your vehicle.

Questions and Answer for Nissan quest wiring diagram

When it comes to Nissan Quest wiring diagrams, people often have several questions. Here are some common queries:

  • 1. What is a wiring diagram and why is it important?
  • A wiring diagram is a detailed illustration of the vehicle's electrical system, showing the connections between various components. It is important because it helps technicians and DIY enthusiasts understand how the electrical system works and how to diagnose and repair issues.

  • 2. How do I read a Nissan Quest wiring diagram?
  • Reading a wiring diagram may seem daunting at first, but with some practice, it becomes easier. Start by familiarizing yourself with the symbols and their meanings. Then, trace the path of the wires to understand how the electrical system is laid out.

  • 3. Where can I find a Nissan Quest wiring diagram?
  • Nissan Quest wiring diagrams can be found in repair manuals, online automotive forums, and websites dedicated to automotive repair information. Some websites offer downloadable diagrams for a fee.

  • 4. What tools do I need to work with a wiring diagram?
  • Some essential tools for working with wiring diagrams include a multimeter for testing electrical connections, wire strippers for removing insulation, and electrical tape for securing connections.

  • 5. Can I use a wiring diagram for other vehicle models?
  • While each vehicle may have its own unique wiring diagram, the basic principles remain the same. You can use a Nissan Quest wiring diagram as a reference when working on other vehicle models, but be sure to consult the specific diagram for that vehicle.

Label :Nissan Quest, Wiring Diagrams, Electrical System, Automotive

Keyword : Nissan quest wiring diagram

Comments

Popular posts from this blog

Nissan NP200 Fuse Box: 5 Key Insights for Electrical System Success

5 Essential Tips for Mr. Heater Big Maxx Installation Manual Reference

Unlock the Mysteries: 5 Key Steps to Nissan Laurel C33 Wiring Diagram Mastery