Midget Wiring Diagram: 5 Key Insights for Efficient Repairs

Midget Wiring Diagram: 5 Key Insights for Efficient Repairs

Discover essential insights into midget wiring diagrams. Learn how these diagrams can help you understand and repair your vehicle's electrical system efficiently.

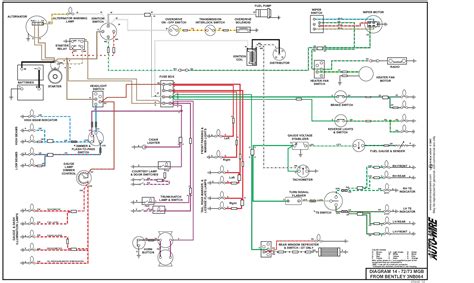
Midget Wiring Diagram: Wiring diagrams are essential tools in understanding the electrical systems of vehicles, providing a visual representation of the wiring layout and connections. This article explores the intricacies of midget wiring diagrams, shedding light on the key components and their interconnections. Understanding these diagrams is crucial for both vehicle owners and technicians, as they serve as blueprints for diagnosing and repairing electrical issues efficiently and accurately.Key Components and Connections: Midget wiring diagrams typically include detailed illustrations of the vehicle's electrical system, highlighting components such as the ignition system, lighting circuits, and accessories. Each component is depicted with its specific wiring connections, often color-coded for clarity. These diagrams are invaluable resources for troubleshooting electrical problems, offering a roadmap for identifying faulty connections or components. By studying midget wiring diagrams, individuals can gain a comprehensive understanding of their vehicle's electrical system, empowering them to maintain and repair their vehicles with confidence.

Top 10 Points about Midget wiring diagram :

  • Understanding the Basics of Midget Wiring Diagrams
  • Components of a Midget Wiring Diagram
  • Interpreting Symbols and Codes in Midget Wiring Diagrams
  • Common Electrical Issues and Solutions in Midgets
  • How to Read Midget Wiring Diagrams Effectively
  • Step-by-Step Guide to Troubleshooting Electrical Problems
  • Importance of Regular Maintenance for Electrical Systems
  • Upgrading Your Midget's Electrical System
  • Resources for Finding Midget Wiring Diagrams
  • Professional Tips for Working with Midget Wiring Diagrams

Several facts about Midget wiring diagram

Understanding the Basics of Midget Wiring Diagrams

Understanding the Basics of Midget Wiring Diagrams

Wiring diagrams are detailed schematics that illustrate the connections and components of an electrical system. In the case of midget wiring diagrams, these documents are crucial for understanding the electrical layout of a midget vehicle. They provide a visual representation of the wiring, helping owners and technicians identify components and their connections.

Components of a Midget Wiring Diagram

Components of a Midget Wiring Diagram

A midget wiring diagram typically includes components such as the battery, ignition switch, lights, and other electrical devices. Each component is represented by symbols that indicate its function and how it is connected to other components. Understanding these symbols is key to interpreting the diagram.

Interpreting Symbols and Codes in Midget Wiring Diagrams

Interpreting Symbols and Codes in Midget Wiring Diagrams

Symbols and codes used in midget wiring diagrams can vary, but they generally follow industry standards. These symbols represent different electrical components and their connections. It's important to refer to the diagram's legend or key to understand what each symbol means.

Common Electrical Issues and Solutions in Midgets

Common Electrical Issues and Solutions in Midgets

Like any vehicle, midgets can experience electrical issues. These can range from a blown fuse to a faulty wiring connection. Consulting a midget wiring diagram can help diagnose and resolve these issues effectively.

How to Read Midget Wiring Diagrams Effectively

How to Read Midget Wiring Diagrams Effectively

Reading a midget wiring diagram requires attention to detail. Start by identifying the components and their connections. Follow the wiring paths and refer to the legend for any symbols you don't recognize. Practice and familiarity with diagrams will improve your ability to read them.

Step-by-Step Guide to Troubleshooting Electrical Problems

Step-by-Step Guide to Troubleshooting Electrical Problems

When faced with an electrical issue in a midget, start by inspecting the fuse box and checking for any blown fuses. Then, use a multimeter to test the voltage at various points in the circuit. Refer to the wiring diagram to identify the problem area and repair or replace any faulty components.

Importance of Regular Maintenance for Electrical Systems

Importance of Regular Maintenance for Electrical Systems

Maintaining a midget's electrical system is crucial for its overall performance and longevity. Regular checks and maintenance can prevent issues and ensure that the electrical system functions properly.

Upgrading Your Midget's Electrical System

Upgrading Your Midget's Electrical System

If you're considering upgrading your midget's electrical system, consult a wiring diagram to understand the existing setup. This will help you plan the upgrade and ensure compatibility with new components.

Resources for Finding Midget Wiring Diagrams

Resources for Finding Midget Wiring Diagrams

Obtaining a midget wiring diagram can be done through various sources. Online forums, enthusiast websites, and vehicle manuals are good places to start. Additionally, contacting a midget club or association may provide access to resources and expertise.

Professional Tips for Working with Midget Wiring Diagrams

Professional Tips for Working with Midget Wiring Diagrams

When working with midget wiring diagrams, it's important to handle them with care to avoid damaging or misplacing them. Keep them in a safe place and refer to them when needed. If you're unsure about interpreting a diagram, seek help from a professional or experienced enthusiast.

Sources:

  • https://www.autozone.com/repairguides/Midget-1961-1979-Wiring-Diagrams/Wiring-Diagrams/Wiring-Diagrams/_/P-0900c1528007cbe6
  • https://www.spridgetmania.com/diagrams
  • https://www.mgexp.com/article/electrical-tips-for-british-cars.html

Midget wiring diagram in Professional's eye

Introduction

Introduction: A midget wiring diagram is a crucial tool for understanding the electrical system of a midget vehicle. It provides a visual representation of the wiring layout and connections, helping owners and technicians diagnose and repair electrical issues efficiently. This article will delve into the intricacies of midget wiring diagrams, discussing their components, symbols, and how to read them effectively.

Understanding the Basics of Midget Wiring Diagrams

Understanding the Basics of Midget Wiring Diagrams: At its core, a midget wiring diagram is a visual representation of the electrical system of a midget vehicle. It includes detailed illustrations of the wiring layout, highlighting components such as the battery, ignition system, lighting circuits, and accessories. Each component is represented by symbols that indicate its function and how it is connected to other components.

Components of a Midget Wiring Diagram

Components of a Midget Wiring Diagram: A midget wiring diagram typically includes components such as the battery, ignition switch, lights, and other electrical devices. These components are interconnected through a series of wires, each serving a specific function in the vehicle's electrical system. Understanding these components and their connections is essential for interpreting the wiring diagram.

Interpreting Symbols and Codes in Midget Wiring Diagrams

Interpreting Symbols and Codes in Midget Wiring Diagrams: Symbols and codes are used in midget wiring diagrams to represent electrical components and their connections. These symbols can vary depending on the diagram's design, but they generally follow industry standards. It's important to refer to the diagram's legend or key to understand what each symbol means.

Common Electrical Issues and Solutions in Midgets

Common Electrical Issues and Solutions in Midgets: Like any vehicle, midgets can experience electrical issues. These can range from a blown fuse to a faulty wiring connection. Consulting a midget wiring diagram can help diagnose and resolve these issues effectively.

How to Read Midget Wiring Diagrams Effectively

How to Read Midget Wiring Diagrams Effectively: Reading a midget wiring diagram requires attention to detail. Start by identifying the components and their connections. Follow the wiring paths and refer to the legend for any symbols you don't recognize. Practice and familiarity with diagrams will improve your ability to read them.

Step-by-Step Guide to Troubleshooting Electrical Problems

Step-by-Step Guide to Troubleshooting Electrical Problems: When faced with an electrical issue in a midget, start by inspecting the fuse box and checking for any blown fuses. Then, use a multimeter to test the voltage at various points in the circuit. Refer to the wiring diagram to identify the problem area and repair or replace any faulty components.

Importance of Regular Maintenance for Electrical Systems

Importance of Regular Maintenance for Electrical Systems: Maintaining a midget's electrical system is crucial for its overall performance and longevity. Regular checks and maintenance can prevent issues and ensure that the electrical system functions properly.

Upgrading Your Midget's Electrical System

Upgrading Your Midget's Electrical System: If you're considering upgrading your midget's electrical system, consult a wiring diagram to understand the existing setup. This will help you plan the upgrade and ensure compatibility with new components.

Resources for Finding Midget Wiring Diagrams

Resources for Finding Midget Wiring Diagrams: Obtaining a midget wiring diagram can be done through various sources. Online forums, enthusiast websites, and vehicle manuals are good places to start. Additionally, contacting a midget club or association may provide access to resources and expertise.

Professional Tips for Working with Midget Wiring Diagrams

Professional Tips for Working with Midget Wiring Diagrams: When working with midget wiring diagrams, it's important to handle them with care to avoid damaging or misplacing them. Keep them in a safe place and refer to them when needed. If you're unsure about interpreting a diagram, seek help from a professional or experienced enthusiast.

Sources:

  • https://www.autozone.com/repairguides/Midget-1961-1979-Wiring-Diagrams/Wiring-Diagrams/Wiring-Diagrams/_/P-0900c1528007cbe6
  • https://www.spridgetmania.com/diagrams
  • https://www.mgexp.com/article/electrical-tips-for-british-cars.html

Point of Views : Midget wiring diagram
  • Midget wiring diagrams may seem like a tangled mess of lines and symbols, but fear not! They're actually like a treasure map for your car's electrical system.
  • Imagine you're a detective, and the wiring diagram is your magnifying glass. You're on the hunt for clues to solve the mystery of why your headlights won't turn on.
  • Each symbol on the diagram is a little hieroglyphic that tells you where wires go and what they do. It's like decoding an ancient language, but with fewer curses and more car parts.
  • One wrong connection and *zap* – you've got a short circuit that could rival a Fourth of July fireworks show. So, it's essential to follow the diagram carefully and double-check your work.
  • But fear not, intrepid car owner! With a bit of patience and a trusty wiring diagram, you'll soon be back on the road, headlights blazing and electrical gremlins banished.
Conclusion :

Thank you for exploring the world of midget wiring diagrams with us. We hope these articles have shed light on this important aspect of vehicle maintenance and repair. Understanding your vehicle's electrical system is key to keeping it running smoothly, and wiring diagrams are invaluable tools in this endeavor.

Whether you're a seasoned enthusiast or a newcomer to the world of car maintenance, midget wiring diagrams can seem daunting at first glance. However, with patience and practice, you can master the art of reading these diagrams and use them to diagnose and fix electrical issues in your midget vehicle. Remember, when in doubt, consult a professional or seek advice from fellow enthusiasts. With the right tools and knowledge, you'll be able to keep your midget running smoothly for years to come.

Questions and Answer for Midget wiring diagram

Q: Why are midget wiring diagrams so complicated? A: Well, think of them as the brain surgery of the automotive world. They need to be precise to ensure your car's electrical system functions properly. Plus, a little complexity keeps things interesting, right?

Q: Can I fix my car's electrical issues without a midget wiring diagram? A: Sure, you can also build a house without a blueprint. But just like that house might end up looking like a wobbly shack, your electrical repairs might not hold up too well without the right guidance.

Q: Do I really need to understand wiring diagrams to drive a midget? A: Technically, no. But knowing how your car works can save you time, money, and the embarrassment of asking a mechanic if your muffler bearings need replacing.

Q: Are there any shortcuts to reading midget wiring diagrams? A: Sure, if you consider hiring a team of tiny, highly-trained mice to do it for you a shortcut. Otherwise, it's all about taking your time and following the lines (literally).

Label :midget wiring, diagram, electrical system

Keyword : Midget wiring diagram

Comments

Popular posts from this blog

Nissan NP200 Fuse Box: 5 Key Insights for Electrical System Success

5 Essential Tips for Mr. Heater Big Maxx Installation Manual Reference

Unlock the Mysteries: 5 Key Steps to Nissan Laurel C33 Wiring Diagram Mastery