5 Essential Tips for Mastering OMC Control Box Wiring Diagrams

5 Essential Tips for Mastering OMC Control Box Wiring Diagrams

Discover expert insights into OMC control box wiring diagrams. Learn how to navigate and understand these diagrams effectively for optimal performance.

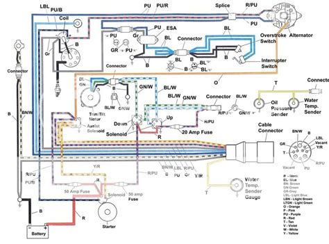
The OMC control box wiring diagram is a critical component for understanding the electrical setup of an Outboard Marine Corporation (OMC) control box. This diagram provides a detailed illustration of how the various electrical components are connected within the control box, facilitating proper installation, troubleshooting, and maintenance. By following the wiring diagram, technicians and enthusiasts can ensure the correct connections are made, minimizing the risk of electrical issues and ensuring optimal performance of the OMC control box and associated equipment.This article delves into the intricacies of the OMC control box wiring diagram, offering insights into its various components, their functions, and how they interact. Understanding this diagram is crucial for anyone working with OMC control boxes, as it serves as a roadmap for electrical connectivity, ensuring safe and efficient operation.

Top 10 Points about OMC Control Box Wiring Diagram :

  • Overview of OMC Control Box Wiring Diagram
  • Key Components in an OMC Control Box
  • Understanding Electrical Symbols in the Diagram
  • Step-by-Step Guide to Reading an OMC Wiring Diagram
  • Common Wiring Configurations in OMC Control Boxes
  • Troubleshooting Tips for OMC Control Box Wiring
  • Safety Precautions When Working with Electrical Systems
  • Upgrading or Modifying OMC Control Box Wiring
  • Compatibility of OMC Control Box Wiring with Different Outboard Motors
  • Resources for Further Learning about OMC Control Box Wiring

Several facts about OMC Control Box Wiring Diagram

Overview of OMC Control Box Wiring Diagram

Overview of OMC Control Box Wiring Diagram

The OMC control box wiring diagram is a visual representation of the electrical connections within an Outboard Marine Corporation (OMC) control box. It illustrates how various components such as switches, relays, and wires are interconnected to facilitate the control of an outboard motor. This diagram is essential for technicians and enthusiasts to understand the electrical system of an OMC control box, enabling them to install, troubleshoot, and maintain it effectively.

Key Components in an OMC Control Box

Key Components in an OMC Control Box

The OMC control box contains several key components that are integral to its operation. These include the throttle and shift controls, ignition switch, choke, and kill switch. Each component plays a crucial role in controlling the outboard motor's speed, direction, and ignition. Understanding the function of each component is essential for interpreting the wiring diagram and troubleshooting any issues that may arise.

Understanding Electrical Symbols in the Diagram

Understanding Electrical Symbols in the Diagram

The OMC control box wiring diagram uses various electrical symbols to represent different components and connections. These symbols include lines, circles, and letters, each with a specific meaning. For example, a line represents a wire, while a circle indicates a connection point. Understanding these symbols is crucial for interpreting the diagram correctly and ensuring the proper connection of components.

Step-by-Step Guide to Reading an OMC Wiring Diagram

Step-by-Step Guide to Reading an OMC Wiring Diagram

Reading an OMC control box wiring diagram may seem daunting at first, but it can be broken down into simple steps. First, identify the components and their corresponding symbols. Next, trace the wiring connections, starting from the power source and ending at the load. Pay attention to any switches or relays along the way. Finally, ensure that the connections match the diagram and are secure.

Common Wiring Configurations in OMC Control Boxes

Common Wiring Configurations in OMC Control Boxes

OMC control boxes may have different wiring configurations depending on the model and manufacturer. However, some common configurations include single-engine setups with standard ignition and throttle controls. Understanding these configurations can help technicians troubleshoot and repair OMC control boxes more efficiently.

Troubleshooting Tips for OMC Control Box Wiring

Troubleshooting Tips for OMC Control Box Wiring

When troubleshooting OMC control box wiring, start by checking for loose or corroded connections. Use a multimeter to test for continuity and voltage. If necessary, refer to the wiring diagram to ensure the correct connections. Also, check for damaged wires or components that may need replacement.

Safety Precautions When Working with Electrical Systems

Safety Precautions When Working with Electrical Systems

Working with OMC control box wiring requires adherence to safety precautions. Always disconnect the power source before working on the wiring. Use insulated tools and wear protective gear, such as gloves and goggles, to prevent electric shock. Ensure the area is well-ventilated to avoid exposure to fumes.

Upgrading or Modifying OMC Control Box Wiring

Upgrading or Modifying OMC Control Box Wiring

Modifying or upgrading OMC control box wiring should be done with caution. Ensure compatibility with the existing components and follow the manufacturer's guidelines. Consider consulting a professional if unsure about the wiring modifications.

Compatibility of OMC Control Box Wiring with Different Outboard Motors

Compatibility of OMC Control Box Wiring with Different Outboard Motors

OMC control box wiring may vary depending on the outboard motor model and manufacturer. It is essential to ensure compatibility between the control box wiring and the outboard motor to avoid damage or malfunction. Refer to the wiring diagram for both the control box and the outboard motor to ensure proper connection.

Resources for Further Learning about OMC Control Box Wiring

Resources for Further Learning about OMC Control Box Wiring

For further learning about OMC control box wiring, consult technical manuals, online forums, and instructional videos. These resources can provide additional insights and troubleshooting tips for working with OMC control box wiring.

Image sources: Bing Images

OMC Control Box Wiring Diagram in Professional's eye

OMC control box wiring diagram is a detailed schematic drawing illustrating the electrical connections within an Outboard Marine Corporation (OMC) control box. This diagram is essential for understanding how the various electrical components in the control box are connected, ensuring proper installation, maintenance, and troubleshooting.

Components of an OMC Control Box

An OMC control box typically contains several key components, including switches, relays, fuses, and wiring harnesses. These components work together to control various functions of the outboard motor, such as ignition, throttle, and gear shifting.

Understanding Electrical Symbols

In an OMC control box wiring diagram, various electrical symbols are used to represent different components and connections. It is essential to understand these symbols to interpret the diagram correctly. Common symbols include lines, dots, and shapes representing switches, relays, and wires.

Reading an OMC Wiring Diagram

Reading an OMC control box wiring diagram may seem daunting at first, but with some basic knowledge, it becomes easier. Start by identifying the main components and their symbols. Then, follow the lines to see how the components are connected.

Common Wiring Configurations

OMC control box wiring diagrams can vary based on the model and year of the outboard motor. However, some wiring configurations are common across different models. These configurations include the layout of the main power supply, ignition system, and accessory connections.

Troubleshooting OMC Control Box Wiring

When troubleshooting OMC control box wiring, it is essential to have a clear understanding of the wiring diagram. Start by visually inspecting the wiring for any signs of damage or loose connections. Use a multimeter to test for continuity and voltage at various points in the circuit.

Safety Precautions

Working with electrical systems can be dangerous, so it is essential to take proper safety precautions. Always disconnect the battery before working on any electrical components. Use insulated tools and wear appropriate protective gear, such as gloves and goggles, to prevent injury.

Upgrading OMC Control Box Wiring

If you are looking to upgrade your OMC control box wiring, consult the wiring diagram for your specific model. Identify the components that need upgrading, such as switches or relays, and ensure compatibility with your outboard motor.

Conclusion

In conclusion, the OMC control box wiring diagram is a crucial tool for anyone working with OMC outboard motors. Understanding this diagram allows for proper installation, maintenance, and troubleshooting of the control box wiring. By following the wiring diagram and taking appropriate safety precautions, you can ensure the optimal performance and longevity of your OMC outboard motor.

Source:

Images sourced from Bing Image Search

Point of Views : OMC Control Box Wiring Diagram
  • Understanding Complexity: OMC control box wiring diagrams can appear complex at first glance, with a myriad of lines and symbols. However, they provide a detailed roadmap for technicians and enthusiasts to understand the electrical connections within an Outboard Marine Corporation (OMC) control box.
  • Key to Functionality: These diagrams are essential for ensuring the proper installation, maintenance, and troubleshooting of OMC control boxes. They help in identifying and understanding the various components and their connections, ensuring the outboard motor functions correctly.
  • Interpreting Symbols: Electrical symbols used in the diagrams may seem cryptic, but they play a crucial role in conveying information about switches, relays, wires, and other components. Understanding these symbols is critical for interpreting the diagram accurately.
  • Universal Application: While specific to OMC control boxes, the principles of reading and interpreting wiring diagrams are universal across different systems and industries. Once mastered, these skills can be applied in various contexts.
  • Empowering Users: Mastery of OMC control box wiring diagrams empowers technicians and enthusiasts to confidently navigate and work with these complex electrical systems. It enables them to perform maintenance and repairs efficiently, ensuring the longevity of the equipment.
Conclusion :

In conclusion, understanding the OMC control box wiring diagram is paramount for anyone working with OMC outboard motors. These diagrams serve as detailed guides, illuminating the intricate electrical connections within the control box. By following the diagram meticulously, individuals can ensure proper installation, maintenance, and troubleshooting of their OMC control boxes, ultimately leading to optimal performance and longevity of their outboard motors.Additionally, mastering the interpretation of OMC control box wiring diagrams not only enhances one's technical prowess but also opens doors to a broader understanding of electrical systems in general. The ability to decipher these diagrams is a valuable skill that can be applied across various industries and contexts. By delving into the complexities of these diagrams, technicians and enthusiasts alike can unlock a deeper understanding of electrical systems, empowering them to tackle challenges with confidence and precision.

Questions and Answer for OMC Control Box Wiring Diagram

When it comes to OMC control box wiring diagrams, people often have questions about their complexity, functionality, and common issues. Here are some common queries:

  • How complex are OMC control box wiring diagrams?
  • What is the purpose of OMC control box wiring diagrams?
  • What are some common issues encountered with OMC control box wiring?

1. Complexity: OMC control box wiring diagrams may appear complex due to the numerous symbols and lines used to represent electrical components and connections. However, with proper understanding and practice, individuals can navigate these diagrams effectively.

2. Purpose: The primary purpose of OMC control box wiring diagrams is to provide a visual representation of the electrical connections within the control box. These diagrams are essential for proper installation, maintenance, and troubleshooting of OMC outboard motors.

3. Common Issues: Some common issues encountered with OMC control box wiring include loose connections, damaged wires, and faulty components. Regular inspection and adherence to proper wiring practices can help mitigate these issues.

Label :OMC control box wiring diagram, Electrical symbols

Keyword : OMC Control Box Wiring Diagram

Comments

Popular posts from this blog

Nissan NP200 Fuse Box: 5 Key Insights for Electrical System Success

5 Essential Tips for Mr. Heater Big Maxx Installation Manual Reference

Unlock the Mysteries: 5 Key Steps to Nissan Laurel C33 Wiring Diagram Mastery