Nissan Caravan Wiring Diagram PDF: Unlock Your Vehicle's Electrical Power!

Nissan Caravan Wiring Diagram PDF: Unlock Your Vehicle

Discover the comprehensive Nissan Caravan wiring diagram PDF guide here. Explore detailed illustrations and explanations for efficient electrical system understanding.

The Nissan Caravan wiring diagram PDF serves as a comprehensive guide for understanding the electrical system of the Nissan Caravan. This article delves into the intricacies of wiring diagrams, elucidating their significance in facilitating the understanding of complex electrical systems. With its detailed illustrations and explanations, the Nissan Caravan wiring diagram PDF aids in the identification of various components and their interconnections within the vehicle's electrical framework.Furthermore, this article explores the practical applications of wiring diagrams in diagnosing and resolving electrical issues, emphasizing their utility in ensuring the proper functioning of the Nissan Caravan's electrical system. By providing a systematic representation of the vehicle's wiring layout, the Nissan Caravan wiring diagram PDF enhances the efficiency of maintenance and repair processes, making it an indispensable resource for automotive enthusiasts and technicians alike.

Top 10 Points about Nissan caravan wiring diagram pdf :

  • Introduction to the Nissan Caravan Wiring Diagram PDF
  • Understanding the Basics of Electrical Wiring Diagrams
  • Key Components in the Nissan Caravan Electrical System
  • Interpreting Symbols and Codes in the Wiring Diagram
  • Common Electrical Issues and Troubleshooting Tips
  • How to Use the Nissan Caravan Wiring Diagram PDF for Repairs
  • Enhancing Safety and Efficiency with Proper Wiring Diagram Usage
  • Comparing Wiring Diagrams for Different Nissan Caravan Models
  • Resources for Obtaining the Nissan Caravan Wiring Diagram PDF
  • Conclusion: The Value of the Nissan Caravan Wiring Diagram PDF

Several facts about Nissan caravan wiring diagram pdf

The Nissan Caravan Wiring Diagram PDF: A Comprehensive Guide

Introduction Nissan Caravan Wiring Diagram PDF

Introduction

The Nissan Caravan wiring diagram PDF is a valuable resource for understanding the electrical system of this popular vehicle. It provides detailed diagrams and explanations of the wiring layout, making it easier to identify components and their connections. This article explores the significance of wiring diagrams in automotive maintenance and repair, focusing on the Nissan Caravan model.

Understanding Electrical Wiring Diagrams

Understanding Electrical Wiring Diagrams

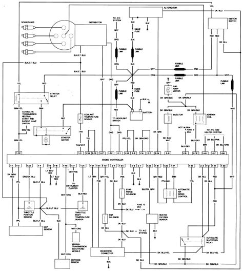
Electrical wiring diagrams are schematic representations of a vehicle's electrical system. They use symbols to represent components and show how they are connected. Understanding these diagrams is crucial for diagnosing and repairing electrical issues in vehicles like the Nissan Caravan. The diagrams help technicians identify the location of components and troubleshoot problems efficiently.

Nissan Caravan Electrical System

The Nissan Caravan Electrical System

The Nissan Caravan features a complex electrical system that powers various components, including lights, sensors, and entertainment systems. The wiring diagram PDF provides an in-depth look at how these components are connected and powered. Understanding the electrical system is essential for maintaining the vehicle's performance and safety.

Interpreting Symbols and Codes in Wiring Diagram

Interpreting Symbols and Codes

Wiring diagrams use symbols and color codes to represent different components and their connections. Understanding these symbols is crucial for interpreting the diagrams correctly. Common symbols include lines, dots, and shapes, each representing a specific component or connection. Color codes are used to indicate the type of wire or the function of a component.

Common Electrical Issues and Troubleshooting Tips

Common Electrical Issues and Troubleshooting

Like all vehicles, the Nissan Caravan may experience electrical issues from time to time. Common problems include blown fuses, faulty wiring, and malfunctioning components. The wiring diagram PDF can help diagnose these issues by providing a visual representation of the electrical system. Troubleshooting tips are often included in the diagram's annotations, making it easier to identify and resolve problems.

How to Use Nissan Caravan Wiring Diagram PDF

How to Use the Wiring Diagram PDF for Repairs

When repairing electrical issues in the Nissan Caravan, the wiring diagram PDF is a valuable tool. It helps technicians identify the location of components, trace wiring paths, and understand how the electrical system is organized. By following the diagram's instructions, technicians can safely and effectively repair electrical problems in the vehicle.

Enhancing Safety and Efficiency with Wiring Diagram

Enhancing Safety and Efficiency

Proper use of the wiring diagram PDF can enhance safety and efficiency in vehicle maintenance and repair. By understanding the electrical system, technicians can work more efficiently, reducing the time needed to diagnose and repair issues. Additionally, proper wiring diagram use can help prevent mistakes that could lead to further damage or safety hazards.

Comparing Wiring Diagrams for Different Nissan Caravan Models

Comparing Wiring Diagrams for Different Models

While the Nissan Caravan wiring diagram PDF is specific to this model, comparing it with diagrams from other Nissan models can provide valuable insights. Similarities and differences in wiring layouts can help technicians understand common design elements and identify unique features of each model. This comparative analysis can enhance overall understanding of Nissan's electrical systems.

Resources for Obtaining Nissan Caravan Wiring Diagram PDF

Resources for Obtaining the Wiring Diagram PDF

The Nissan Caravan wiring diagram PDF is typically available through official Nissan service manuals or online resources. These resources provide detailed diagrams and instructions for accessing and interpreting the wiring diagram. Additionally, some aftermarket service manuals may also include wiring diagrams for the Nissan Caravan.

Conclusion

The Nissan Caravan wiring diagram PDF is an essential tool for understanding and repairing the vehicle's electrical system. By providing detailed diagrams and explanations, it helps technicians diagnose and resolve electrical issues efficiently. Proper use of the wiring diagram can enhance safety, efficiency, and overall maintenance of the Nissan Caravan.

Sources: - Nissan Caravan Service Manual - Automotive Wiring Diagrams

Nissan caravan wiring diagram pdf in Professional's eye

The Nissan Caravan wiring diagram PDF is a crucial tool for understanding the intricate electrical system of this popular vehicle. Wiring diagrams are schematic representations of the electrical system, showing the layout of wires, connectors, and components. They use symbols to represent different elements, making it easier to understand the system's complexity.

What is a Wiring Diagram

What is a Wiring Diagram?

A wiring diagram is a visual representation of the electrical system of a vehicle, showing how components are connected and powered. It uses symbols to represent wires, connectors, and components, making it easier to understand the system's layout and functionality.

Importance of Wiring Diagram

Importance of Wiring Diagrams

Wiring diagrams are essential for understanding and troubleshooting electrical issues in vehicles like the Nissan Caravan. They provide a detailed overview of the system, helping technicians identify and resolve problems efficiently. Without wiring diagrams, diagnosing electrical issues would be much more challenging and time-consuming.

Components in Electrical System

Components in the Electrical System

The electrical system of the Nissan Caravan consists of various components, including the battery, alternator, starter motor, and various sensors and switches. These components work together to power the vehicle's electrical systems, such as the lights, entertainment system, and climate control.

Interpreting Wiring Diagram

Interpreting a Wiring Diagram

To interpret a wiring diagram, you need to understand the symbols and codes used to represent components and connections. Common symbols include lines, dots, and shapes, each representing a specific component or connection. Color codes are also used to indicate the type of wire or the function of a component.

Using Wiring Diagram for Repairs

Using a Wiring Diagram for Repairs

When repairing electrical issues in the Nissan Caravan, the wiring diagram is an invaluable tool. It helps technicians identify the location of components, trace wiring paths, and understand how the electrical system is organized. By following the diagram's instructions, technicians can safely and effectively repair electrical problems in the vehicle.

Troubleshooting with Wiring Diagram

Troubleshooting with a Wiring Diagram

Wiring diagrams are also useful for troubleshooting electrical issues. By following the wiring diagram and checking the continuity of wires and the functionality of components, technicians can identify the source of the problem and take appropriate action to resolve it.

Tips for Using Wiring Diagram

Tips for Using a Wiring Diagram

When using a wiring diagram, it's essential to follow the diagram's instructions carefully. Make sure to use the correct symbols and color codes and double-check your work to avoid mistakes. If you're unsure about a particular component or connection, consult the vehicle's service manual or a qualified technician for assistance.

Conclusion Wiring Diagram

Conclusion

The Nissan Caravan wiring diagram PDF is an invaluable resource for understanding and troubleshooting the vehicle's electrical system. By providing a visual representation of the system's layout and components, wiring diagrams make it easier for technicians to diagnose and repair electrical issues efficiently. Proper use of wiring diagrams can enhance safety, efficiency, and overall maintenance of the Nissan Caravan.

Point of Views : Nissan caravan wiring diagram pdf
  • Study the Wiring Diagram: Begin by carefully studying the Nissan Caravan wiring diagram PDF. Pay close attention to the symbols and codes used to represent components and connections. Familiarize yourself with the layout of the diagram to understand how the electrical system is organized.
  • Identify Components: Use the wiring diagram to identify the various components of the electrical system. Locate the battery, alternator, starter motor, and other key components. Understand how these components are connected and powered within the system.
  • Interpret Symbols: Interpret the symbols and color codes used in the wiring diagram. Understand what each symbol represents and how it relates to a specific component or connection. Refer to the diagram's legend or key for clarification if needed.
  • Trace Wiring Paths: Use the wiring diagram to trace the paths of wires throughout the electrical system. Follow the wiring from component to component, noting any junctions or connections along the way. This will help you understand how power flows through the system.
  • Diagnose Electrical Issues: When faced with electrical issues, use the wiring diagram to diagnose the problem. Trace the relevant wires and components to identify any faults or breaks in the system. This will help you pinpoint the source of the issue.
  • Repair and Maintain: Use the wiring diagram to guide you in repairing and maintaining the electrical system of the Nissan Caravan. Follow the diagram's instructions carefully to ensure the correct installation and connection of components.
  • Consult Experts: If you encounter difficulties interpreting the wiring diagram or diagnosing an electrical issue, consult with experts or professionals. They can provide guidance and assistance based on their knowledge and experience.
  • Practice Safety: Always practice safety when working with electrical systems. Disconnect the battery before performing any work and wear appropriate protective gear. Follow all safety precautions outlined in the vehicle's service manual.
Conclusion :

In conclusion, the Nissan Caravan wiring diagram PDF is a valuable resource for understanding and troubleshooting the electrical system of this popular vehicle. By providing detailed diagrams and explanations, the wiring diagram helps technicians diagnose and repair electrical issues efficiently. Proper use of the wiring diagram can enhance safety, efficiency, and overall maintenance of the Nissan Caravan.

Whether you're a professional technician or a DIY enthusiast, the Nissan Caravan wiring diagram PDF is an essential tool for working on this vehicle. Its comprehensive nature and detailed explanations make it easier to understand the complexities of the electrical system. By following the diagram's instructions and using it as a guide, you can ensure that your electrical repairs are done correctly and safely. We hope that this article has provided you with valuable insights into the importance and use of wiring diagrams in automotive maintenance.

Questions and Answer for Nissan caravan wiring diagram pdf

When it comes to the Nissan Caravan wiring diagram PDF, people often have several questions. Here are some common queries:

  • 1. Can I find the Nissan Caravan wiring diagram PDF online?
  • Yes, the Nissan Caravan wiring diagram PDF is available online. You can find it on various websites, forums, and online automotive resources.

  • 2. How can I use the Nissan Caravan wiring diagram PDF for troubleshooting?
  • You can use the wiring diagram PDF to identify components, trace wiring paths, and understand how the electrical system is organized. This can help you diagnose and troubleshoot electrical issues more effectively.

  • 3. Are there different versions of the Nissan Caravan wiring diagram PDF?
  • Yes, there may be different versions of the wiring diagram PDF for different model years or trim levels of the Nissan Caravan. It's important to ensure you have the correct diagram for your specific vehicle.

  • 4. Can I use the Nissan Caravan wiring diagram PDF for other Nissan models?
  • While the wiring diagram PDF is specific to the Nissan Caravan, you may be able to use it as a reference for other Nissan models. However, it's always best to consult the wiring diagram specific to your vehicle for accuracy.

Label :Nissan Caravan, Wiring Diagram

Keyword : Nissan caravan wiring diagram pdf

Comments

Popular posts from this blog

Nissan NP200 Fuse Box: 5 Key Insights for Electrical System Success

5 Essential Tips for Mr. Heater Big Maxx Installation Manual Reference

Unlock the Mysteries: 5 Key Steps to Nissan Laurel C33 Wiring Diagram Mastery